Homepage
About Socay
Profile
Culture
Honor
Certification
History
Products
Voltage Suppressor
GDT
TVS
ESD
TSS
MOV(DIP)
MOV(SMD)
Polymer ESD
SPG
Current Suppressor
PPTC(SMD)
PPTC(DIP)
NTC(DIP)
NTC(SMD)
Time-Delay Glass Tube Fuse(DIP)
Time-Delay Plastic Fuse(DIP)
Time-Delay Ceramic Fuse(DIP)
Glass Tube Fuse(SMD)
Ceramic Fuse(SMD)
Diodes
Schottky
Bridges
Rectifier Diodes
Zener Diodes
EMC Components
Bead
Surge Protection Device
Solutions
AC Power
CAN
DC Power
GPS
HDMI
POE
RS232
RS485
SD Card
SIM Card
Type-C
USB
VGA
Video
RJ45
RF
Audio
EMC Laboratory
Environment
Equipment
News
Company
Solutions
Industry
Contact Us
Contact
Jobs
Online Message
中文简体
中文繁体
English
Homepage
About Socay
Profile
Culture
Honor
Certification
History
Products
Voltage Suppressor
Current Suppressor
Diodes
EMC Components
Surge Protection Device
Solutions
AC Power
CAN
DC Power
GPS
HDMI
POE
RS232
RS485
SD Card
SIM Card
Type-C
USB
VGA
Video
RJ45
RF
Audio
EMC Laboratory
Environment
Equipment
News
Company
Solutions
Industry
Contact Us
Contact
Jobs
Online Message
中文
繁体中文
English
Homepage
Product Center
SD Card
AC Power
CAN
DC Power
GPS
HDMI
POE
RS232
RS485
SD Card
SIM Card
Type-C
USB
VGA
Video
RJ45
RF
Audio
AC Power
CAN
DC Power
GPS
HDMI
POE
RS232
RS485
SD Card
SIM Card
Type-C
USB
VGA
Video
RJ45
RF
Audio
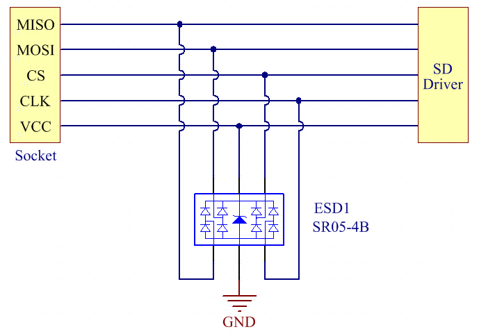
Electrostatic protection solutions for SD Card integrated device
Download
Share