SOCAY高能微型贴片压敏电阻,高性价比LED恒流驱动电源防护方案
2020-08-12全球气温变暖、能源短缺,各个国家政府及人们越来越重视节能环保。最近十年来,功率型LED器件在光效上有了突飞猛进的发展,截止到2010年4月,实验室级白光大功率LED光效已经达到208m/W,量产型白光LED的光效则超过130lm/W,高于普通节能型荧光灯80 -100lm/W的光效水平。随著成本的显著下降,LED在通用照明市场上的普及率不断提高,并且开始以能耗低、环保、寿命长、色彩丰富、全固态器件机械结构坚固等独特优点,向户外主干道路路灯、隧道灯、泛光灯等大功率照明领域进行渗透。在保障安全可靠性的前提下,更多的电子工程师开始关注LED照明行业防护方案的优化,从防护方案的设计到后期防护器件的选型应用,都开始广受关注。
由于LED是特性敏感的半导体器件,又具有负温度特性,因而在应用过程中需要对其进行稳定工作状态和保护,从而产生了驱动的概念。 LED器件对驱动电源的要求近乎于苛刻,LED是2~3伏的低电压驱动,必须要设计复杂的变换电路,不同用途的LED灯,要配备不同的电源适配器。国际市场上国外客户对LED驱动电源的效率转换、有效功率、恒流精度、电源寿命、电磁兼容的要求都非常高。
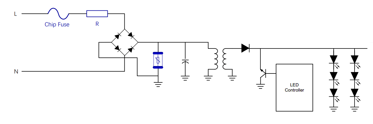
随着LED贴片化的发展要求,LED的保护器件也逐步向扁平化发展。为顺应LED照明市场的发展趋势,SOCAY500506百万文字综合论坛-500505百万文字论坛字论文查询-500505百万文字论坛最新版本-03024百万文字综合论坛-500506百万文字论坛转载-798790论坛开奖历史记录-百万文字论坛500507顺势推出高能微型贴片压敏电阻,作用于LED的电路保护器件需要过500V,而SOCAY500506百万文字综合论坛-500505百万文字论坛字论文查询-500505百万文字论坛最新版本-03024百万文字综合论坛-500506百万文字论坛转载-798790论坛开奖历史记录-百万文字论坛500507SHMV系列高能微型贴片压敏电阻在配合保险丝、电阻、桥堆之后最高峰值为2KV,足够满足LED防护需求。

作为压敏电阻器家族成员之一,贴片压敏电阻器在智能设备以及信号通讯等领域的应用是非常广泛的,高能微型贴片压敏电阻则更多的作用于LED照明行业,那么,这种压敏电阻器在市场应用方面具有的潜力值有多大?在哪些领域是不可或缺的重要配件呢?在今天的文章中,我们将会就高能微型贴片压敏电阻器的市场应用情况进行简要分析和介绍。
高能微型贴片压敏电阻器作为一种保护元件,其本身的主要作用,就是为LED照明器不被从AC电源线侵入的浪涌所破坏。适用于LED照明驱动电源的SHMV系列高能微型贴片压敏电阻具有厚度薄、体积小、通流量大的显著特点,可直接替代SC2220ML系列贴片压敏电阻,已经广泛应用于几大LED生产厂家,是目前市场上性价比最高的LED恒流驱动防护方案,有效防止LED照明器被从AC电源线侵入的浪涌破坏。
这种电阻器目前均采用无铅工艺制造,其芯片为陶瓷SMD型氧化锌结构,绝缘外套保持良好的稳定的低漏电流,目前主要有0806/1206两种封装;与其他的贴片压敏电阻器相比,高能微型贴片压敏电阻的电镀终止能够提供良好可焊性,响应时间也非常快,其本身的通流能力极好,200a(@ 8 / 20μS);符合RoHS;符合IEC61000- 4-5标准;具有双向对称V/ I特性;多层结构提供更高的功耗。除此之外,这种压敏电阻的工作温度范围也非常宽泛,温度范围为40~85℃,可以适应多种环境的工作需要。
正是因为具备了上述优点,高能微型贴片压敏电阻器在应用方面占据了较大的优势,无论是小功率电源还是LED照明驱动电源,都可以选择这种高能微型贴片压敏电阻进行过压保护。压敏电阻器在LED照明领域的应用也已经越来越广泛,而这一潜在市场的发展速度也正在逐渐加快,而防护性能更优、性价比更高的SOCAY500506百万文字综合论坛-500505百万文字论坛字论文查询-500505百万文字论坛最新版本-03024百万文字综合论坛-500506百万文字论坛转载-798790论坛开奖历史记录-百万文字论坛500507高能微型贴片压敏电阻器更是被广泛的应用在了LED照明和LED电源设计之中,其发展潜力后劲十足。