1. Homepage
  2. News Center
  3. Solutions
  4. SOCAY ESD SE05NRC14GT in Docking Station

SOCAY ESD SE05NRC14GT in Docking Station

2023-09-28

        A docking station, also known as a port replicator, is an external device designed for notebook computers. By duplicating or even expanding the ports of a notebook computer, it allows for a convenient one-stop connection between the laptop and multiple accessories or external devices.

But in the process of daily use, we often find that the docking station interface can not be used, 90% of the reason because of the plugging process of electrostatic damage, so now the communication interface of the docking station need to do anti-static protection. Therefore, Sukai electronic launched a high electrostatic protection level of electrostatic protector SE05NRC14GT, in the case of not affecting the communication, but also to protect the back-end IC, to prevent electrostatic shock damage.

SE05NRC14GT main parameters:
Off-state voltage: 5V

Pulse current: 4A

Clamp voltage:13V

Ultra-low junction capacitance, Typical value:0.45PF

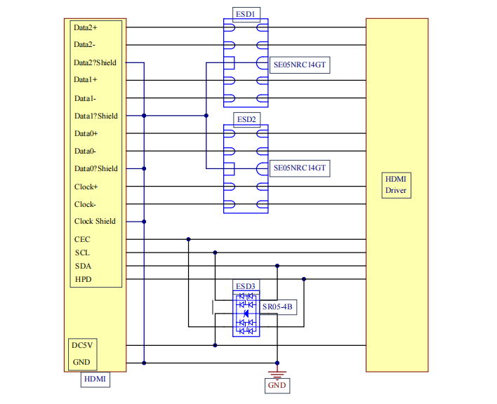
In line with the IEC61000-4-2 test standards, electrostatic level up to 20KV contact, air 25KV. application circuit is shown below:

图片3.png 

     SE05NRC14GT can replace friend model ESD7004, TPD4E05U06DQAR, etc. Widely used in high-definition multimedia interface (HDMI), USB2.0/3.0, 100M network/Gigabit network and digital visual interface, etc.