SOCAY静电保护器SE05NRC14GT在扩展坞中的应用
2023-09-28扩展坞,又称端口复制器,是专为笔记本电脑设计的一种外置设备。通过复制甚至扩展笔记型计算机的端口,可使笔记本电脑与多个配件或外置设备方便的一站式连接。
但是在日常使用过程中,我们经常会发现扩展坞接口不能用,90%的原因因为插拔过程中静电损坏,所以现在扩展坞的通讯接口需要做防静电保护。因此,500506百万文字综合论坛-500505百万文字论坛字论文查询-500505百万文字论坛最新版本-03024百万文字综合论坛-500506百万文字论坛转载-798790论坛开奖历史记录-百万文字论坛500507推出一款高静电防护等级的静电保护器SE05NRC14GT,在不影响通讯的情况下,还能保护后端IC,防止静电冲击损坏。
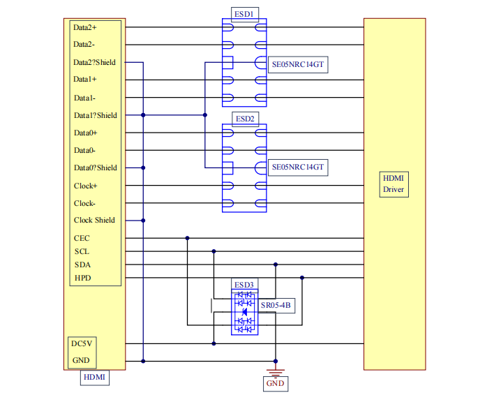
SE05NRC14GT主要参数:其断态电压为5V,脉冲电流为4A,钳位电压为13V,超低结电容,典型值为0.45PF,符合IEC61000-4-2测试标准,静电等级可达接触20KV,空气25KV。应用电路如下所示:
SE05NRC14GT可替代友商型号ESD7004 ,TPD4E05U06DQAR等。广泛应用于高清多媒体接口(HDMI)、USB2.0/3.0、百兆网/千兆网以及数字视觉接口等。